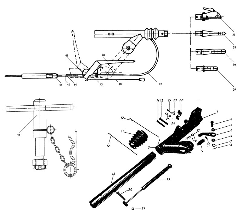
Teilaufstellung zur Peitz Auflaufbremse Typ AEV13

Über die Links der Ersatzteile kommen sie zu den passenden Artikeln in unserem Shop.
www.anhaengerteileshop.de
 Dort können sie die Teile in den Warenkorb legen

Explosionszeichnung der Peitz AEV Auflaufbremsen

  1 100800 Auflaufeinrichtung AEV 13
  2 100430 Lagerbuchse vorn
  0 100440 Lagerbuchse hinten
 3 011520 Schmiernippel
 4 100890 Umlenkhebel
  5 100150 Nabe für Umlenkhebel
 6 100900 Bolzen
 7 006920 Scheibe
  8 011820 Splint
  9 101110 Gabelkopf
 10 016070 Bolzen für Umlenkhebel
 11 167470 Faltenbalg.
12 013040 Schlauchband
13 100910 Gleitrohr
 14
Bolzen
15 100490 Bolzen
16 007030 Unterlegscheibe
17
007040
Unterlegscheibe
18 800574 Splint
19 102310 Stoßdämpfer
20 008130 Schraube
21 004950 Sicherungsmutter
22 208113 Sperrhebel
23 208100 Doppelschenkelfeder
24 016040 Bolzen für Bremshebel
25 007140 Unterlegscheibe
26 012730 SL-Sicherung
28 251540 Zubehörsatz DIN-Zugöse 46mm
29 251580 Zubehörsatz Franz.Zugöse 68mm
30 251560 Zubehörsatz Nato.Zugöse 76mm
31 251510 Zubehörsatz Kugelkupplung 46mm
40 100960 Handbremshebel
41 100290 Zahnbogen
42 100940 Bowdenzug HL 1100mm

262980 Bowdenzug HL 1200mm

250610 Bowdenzug HL 1390mm
43 011100 Sechskantmutter
44 011440 Spannschlossmutter
45 101010 Kraftspeicher
46 251590 Feststellknebel 20,0mm Ø

251210 Feststellknebel 28,0mm Ø

251660 Feststellknebel 36,0mm Ø
47 011080 Sechskantmutter
48 251130 Abreißseil 1500mm

251140 Abreißseil 1600mm

251150 Abreißseil 1800mm